Giant Surface Mounted Kinematic Vee Block
VB-2000-SM, For 1 1/2" ( 1.5", 38.1 mm ), Balls through 2" ( 50.8 mm ) Balls
For very heavily loaded systems, this Vee block, ( V Block ) is fully compatible with our Canoe sphere (see our Kinematic catalog # 105B), to give it the ultimate in precision location, along with the highest load carrying capacity available.
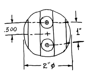
This vee block is built on a two inch 2.0" (50.8 mm) diameter base. It has two threaded holes that are ( 5/16 inch, 0.312", 8 mm ) diameter with 18 threads per inch. They are spaced one inch ( 1.0", 25.4 mm ) apart so that the vee block can be fastened down from the back. These same through holes are counter sunk from the front so that two (1/4 inch, 0.250", 6.4 mm) flat head screws can be used to hold the vee blocks down from the front.
The bottom surface of this vee block is recessed to provide a shallow pocket that provides a strong glue line for holding the part down. The remaining annular ring, that is left around the bottom, is precision flat lapped, to provide the ultimate in stability, for locating this vee block.
For greater security, the 2-inch ( 50.8 mm ) outside diameter of this device can be placed in a shallow machined recess in the platform. This dramatically increase the shear forces that this vee block will withstand. This very large surface mounted Kinematic vee block, our part number VB-2000-SM, is designed for use with a one and one half inch, 1.50", ( 38.1 mm ) diameter load sphere; but it is compatible with most spheres up to two inches, 2.0", ( 50.8 mm ) diameter.
The 90-degree prismatic surfaces of the vee block, that carry the load, are precision ground with a special machine that generates these surfaces, with the face of the grinding wheel, instead of the periphery. This special grinding technique produces a cris cross lay that breaks up the grinding pattern and gives orders of magnitude better accuracy of location.
The choice of material for this device is strongly influenced by the need to limit fretting of these highly loaded surfaces. The material chosen is a very high chromium, high carbon, Martensitic stainless steel. This ultra fine-grained material is through hardened to 58 HRC (Hardness on the Rockwell "C" scale) minimum.
The bottom surface of this vee block is recessed to provide a shallow pocket that provides a strong glue line for holding the part down. The remaining annular ring, that is left around the bottom, is precision flat lapped, to provide the ultimate in stability, for locating this vee block. For greater security, the 2-inch ( 50.8 mm ) outside diameter of this device can be placed in a shallow machined recess in the platform. This dramatically increases the shear forces that this vee block will withstand.
For a heavy load capability, see also "Canoe Sphere."
See here for Vee Block prices.